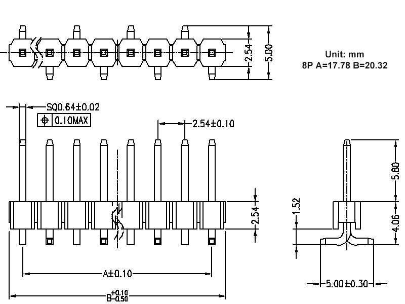
2.54MM (0,1'') Paso PIN HEADER
SPECIFICATION
MATERIALS (contactos): aleación de cobre, oro o estaño (sobreníquel) acabado
MATERIALS (porta): estándar o de alta temperatura de plástico , clasificar a UL94V-0
CURRENT: 3A por contacto
Número máximo VOLTAJE: 800V AC, 500V DC
contact RESISTENCIA: 30mΩ max
INSULATION RESISTENCIA: 1,000MΩ min
OPERATING TEMPERATURA:-40 ℃ a 105 ℃
DURABILITY: 300 ciclos de inserción (oro) o 50 ciclos de inserción (estaño)
DRAWING
(contacto con el equipo de ventas para obtener más detalles acerca de las dimensiones )
¿Qué'? s la función de jefe del perno
\\ las liendres función es la de servir como puente entre los circuitos bloqueados o aislados en el circuito de placa PCB, y el responsable de la transmisión de corriente o de señal.
¿Qué son pin HRE modelos de cabecera?
Hay muchos tipos de conectores macho que se clasifican de acuerdo con el estandar ds en la industria electrónica para satisfacer las diferentesnecesidad. Según el espacio, se puede dividir aproximadamente en 2,54 mm (0,1 pulg.), 2.0 mm (0.079 in), 1.27 mm (0.05 pulg.), 1,0 mm (0.04 pulg.), 0.8 mm (0.03 pulg.). La distancia entre los pasadores se refiere comúnmente como tono en la comunidad electrónica. De acuerdo con la cantidad de filas, hay una fila de una sola fila, doble fila, tres filas, etc. De acuerdo con el uso del paquete, hay parches SMT (versión de la tecnología de superficiemount) y enchufe-in DIP (dispositivos de pin a través del orificio),-Entre ellos, los encabezados PIN SMT se pueden dividir en el encabezado del pasador horizontal y en el encabezado de pasador vertical, y los tipos de inmersión se pueden dividir en el encabezado del pasador de inserción recta y el encabezado de la inserción de la inserción. Además, lo dividimos en tres tipos de acuerdo con su método de instalación, la instalación de 180 ° está representada por S", la instalación de 90 ° está representada por"W"y la instalación SMT está representada por"T"".
¿Qué' s el rango de aplicación de pines
aplicación la gama: el equipo de procesamiento de datos, la computadora , Equipo de control de programas, equipos de medición electrónica, equipo de control automático, equipo de automatización, equipo de comunicación, etc.

Nombre: Haimei Liang
Título profesional: sales manager
Departamento: Sales Department
Teléfono de la compañía: +86 0769 83450370
E-mail: Contáctenos
Teléfono móvil: +86 18929181819
Sitio web: dgwin.spab2b.com
Dirección: No.67,Dongshen Road,Qiaotou Town,Dongguan City,China