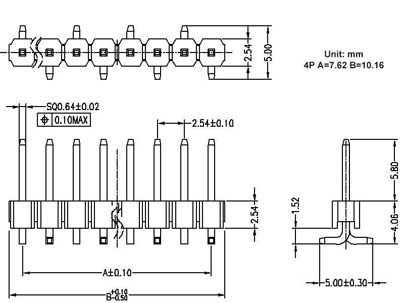
2.54MM (0,1'') Paso PIN HEADER
SPECIFICATION
MATERIALS (contactos): aleación de cobre, oro o estaño (sobreníquel) acabado
MATERIALS (porta): Estándar o alta temperatura de plástico, clasificar a UL94V-0
CURRENT: 3A por contacto
Número máximo VOLTAJE: 800V AC, 500V DC
contact RESISTENCIA: 30mΩmax
INSULATION RESISTENCIA: 1.000 mΩmin
OPERATING TEMPERATURA:-40℃to 105℃
DURABILITY: 300 ciclos de inserción (oro) o 50 ciclos de inserción (estaño)
DRAWING
¿Qué'? S la función del jefe del perno función
\\ liendres es Función como un puente entre circuitos bloqueados o aislados en el circuito de la placa PCB, y responsable de la transmisión de corriente o señal.
-- ¿Qué los modelos de encabezado de Pin HRE?"""\"Hay muchos tipos de encabezados de PIN que se clasifican de acuerdo con los estándares en La industria electrónica para satisfacer diferentesnecesidades. Según el espacio, se puede dividir aproximadamente en 2,54 mm (0,1 pulg.), 2.0 mm (0.079 in), 1.27 mm (0.05 pulg.), 1,0 mm (0.04 pulg.), 0.8 mm (0.03 pulg.). La distancia entre los pasadores se refiere comúnmente como tono en la comunidad electrónica. De acuerdo con elnúmero de filas, hay una hilera, de dos hileras, tres filas, etc. De acuerdo con el uso del paquete, hay parches SMT (Surface \\ versión tecnologíanmount) y el enchufe"in DIP (pin a través de dispositivos de agujero),"entre ellos, conectores macho SMT se pueden dividir en cabecera pin horizontal y la cabecera pasador vertical, y los tipos DIP se pueden dividir en cabecera pin inserción directa y flexión pines de inserción. Además de eso, se dividió en tres tipos según su método de instalación, 180 ° instalación está representado porS
, 90 ° instalación está representado porW, y la instalación SMT está representado por T.
&#
¿Qué
39; s el rango de aplicación de pinesaplicación la gama: el equipo de procesamiento de datos, ordenadores, equipo de control de programa , equipo de medición electrónica, equipos de control automático, equipo de automatización, equipos de comunicación, etc.
\\n \\n \\n \\n \\n \\n

Nombre: Haimei Liang
Título profesional: sales manager
Departamento: Sales Department
Teléfono de la compañía: +86 0769 83450370
E-mail: Contáctenos
Teléfono móvil: +86 18929181819
Sitio web: dgwin.spab2b.com
Dirección: No.67,Dongshen Road,Qiaotou Town,Dongguan City,China