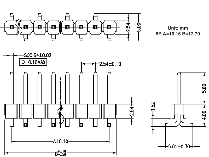
2.54MM (0,1'') Paso PIN HEADER
SPECIFICATION
MATERIALS (contactos): aleación de cobre, oro o estaño (sobreníquel) acabado
MATERIALS (porta): estándar o de alta temperatura de plástico, clasificado a UL94V-0
CURRENT: 3A por contacto
Número máximo VOLTAJE: 800V AC, 500V DC
contact RESISTENCIA: 30mΩmax
INSULATION RESISTENCIA: 1,000m
-
DURABILITY: 300 ciclos de inserción (oro) o 50 ciclos de inserción (TiN)
DRAWING
&#
(contacto con el equipo de ventas para obtener más detalles acerca de las dimensiones)
-- """"""¿Qué
39; es la función del jefe del perno función
\\ liendres es funcionar como un puente entre los circuitos bloqueados o aislados en el circuito de placa PCB, y el responsable de la corriente o una señal? la transmisión.&#
¿Qué son modelos de conector macho EDH?
Hay muchos tipos de conectores macho que se clasifican de acuerdo a los estándares de la industria electrónica para satisfacer diferentesnecesitando. Según el espacio, se puede dividir aproximadamente en 2,54 mm (0,1 pulg.), 2.0 mm (0.079 in), 1.27 mm (0.05 pulg.), 1,0 mm (0.04 pulg.), 0.8 mm (0.03 pulg.). La distancia entre los pasadores se refiere comúnmente como tono en la comunidad electrónica. De acuerdo con la cantidad de filas, hay una fila de una sola fila, doble fila, tres filas, etc. De acuerdo con el uso del paquete, hay parches SMT (versión de la tecnología de superficiemount) y enchufein DIP (dispositivos de pin a través del orificio),
entre ellos, conectores macho SMT se pueden dividir en cabecera pin horizontal y la cabecera pasador vertical, y los tipos DIP se pueden dividir en cabecera pin inserción directa y flexión pines de inserción. Además de eso, se dividió en tres tipos según su método de instalación, 180 ° instalación está representado por

Nombre: Haimei Liang
Título profesional: sales manager
Departamento: Sales Department
Teléfono de la compañía: +86 0769 83450370
E-mail: Contáctenos
Teléfono móvil: +86 18929181819
Sitio web: dgwin.spab2b.com
Dirección: No.67,Dongshen Road,Qiaotou Town,Dongguan City,China