2.54MM (0,1'') primitivo hembra HEADER
SPECIFICATION
MATERIALS (contactos): bronce fosforado, oro o estaño (sobreníquel) terminados
MATERIALS (porta): Estándar o alta temperatura de plástico, clasificar a UL94V-0
CURRENT: 3A por contacto
Número máximo VOLTAJE: 800V AC, 500V DC
contact RESISTENCIA: 30mΩmax
INSULATION RESISTENCIA: 1.000 mΩmin
OPERATING TEMPERATURA:-40℃to 105℃
DURABILITY: 300 ciclos de inserción (oro) o 50 ciclos de inserción (estaño)
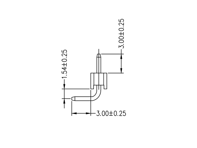
DRAWING
Package en cinta:tipo Este de paquete es para conectores SMT, proteger los pasadores de la deformación
Convenient para el montaje automático y procesamiento de recogida, y guardar una gran cantidad de costes laborales
Package en tubo:. Este tipo de envase es adecuado para muchos tipos de conectores de acuerdo ción a lasnecesidades, este método de embalaje protege mejor los pasadores de la deformación
Package en bolsas de PE:.Este es el más c\\ embalajenommon, adecuado para productos wher&101; la agujano se deforma con facilidad, la desventaja es que la protección de los productos es pequeño, la ventaja es el ahorro de costes#
Package en caja Blister:.Commonly utiliza el envase, un poco similar a la de embalaje tubular blister, puede proteger mejor la puntada producto.
¿Qué&39;? s del jefe del Pin#
PIN cabecera es un tipo de conector eléctrico. Por lo general abreviado como el pH o la cabecera simple,y tiene la reputación de tipo connectors.This universal de conector se utiliza ampliamente en las placas de circuitos de PCB en la electrónica, aparatos eléctricos, y metros.
¿Qué&39;? s la función de jefe del perno función#
\\ liendres es funcionar como un puente entre los circuitos bloqueados o aislados en el circuito de placa PCB, y responsable de la transmisión de corriente o de señal.
¿Qué son modelos de conector macho EDH?
Hay muchos tipos de cabezales de pin cuales se clasifican de acuerdo a los estándares de la industria electrónica para satisfacer las diferentesnecesidad. De acuerdo con el espacio, se puede dividir aproximadamente en 2,54 mm (0,1 in), de 2,0 mm (0,079 pulgadas), 1,27 mm (0,05 in), 1,0 mm (0,04 pulgadas), 0,8 mm (0,03 in). La distancia entre los pines se conoce comúnmente como boca de lobo en la comunidad electrónica. De acuerdo con elnúmero de filas, hay una hilera, de dos hileras, tres filas, etc. De acuerdo con el uso del paquete, hay parches SMT (Surface \\ versión tecnologíanmount) y el enchufein DIP (pin a través de dispositivos de agujero),entre ellos, conectores macho SMT se pueden dividir en cabecera pin horizontal y la cabecera pasador vertical, y los tipos DIP se pueden dividir en cabecera pin inserción directa y flexión pines de inserción. Además de eso, se dividió en tres tipos según su método de instalación, 180 ° instalación está representado por-S-, 90 ° instalación está representado por W", y la instalación SMT está representado por"T"."""
¿Qué
39; s el rango de aplicación de pines&#aplicación la gama: el equipo de procesamiento de datos, la computadora , el equipo del programa de control, equipos de medición electrónicos, equipos de control automático, equipo de automatización, equipos de comunicación, etc.

Nombre: Haimei Liang
Título profesional: sales manager
Departamento: Sales Department
Teléfono de la compañía: +86 0769 83450370
E-mail: Contáctenos
Teléfono móvil: +86 18929181819
Sitio web: dgwin.spab2b.com
Dirección: No.67,Dongshen Road,Qiaotou Town,Dongguan City,China