MIS MERCADOS

[

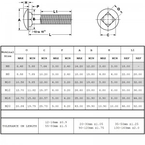
["Tornillos de máquina Tuerca"]

["Yzb están disponibles en los siguientes Calificar; nota: ASTM J995 Grado 2 y   ASTM F594 Material: Acero al carbono, acero inoxidable. Enchapado: Zinc Cr3, galón de inmersión en caliente, liso, dacrotizado, teflón, fosfatado y muc...

Queja por infracciones

E-mail: ts@waimaolang.cn
Reloj elegante del teléfono, reloj de Bluetooth
Teléfono inteligente de pantalla completa
Sala de estar super cool fish tank
Pestañas atractivas ultra largas de las mujeres
Bebida de jugo nutricional Super Vitamina C
Conveniente mesa al aire libre
Impresora a color ultra-inteligente
Ventilador grande al aire libre
Vino tinto premium
Disco de almacenamiento USB conveniente ultra pequeño

Empresa

Dongguan Opensesame Network Co,.Ltd

Queja por infracciones

E-mail: ts@waimaolang.cn

Cooperación de contacto

E-mail: huang@waimaolang.cn

top